Holle as
Vele Puchrijders hebben het vaak niet eens in de gaten, maar het gebeurt toch met een zekere regelmaat. De klachten zijn vaak:
-
- een achterwiel dat een beetje zwabbert
- een ketting die er afloopt
- de Puch is in de bochten niet erg stabiel
Om het achterwiel te controleren kun je het wiel onder en boven vastpakken en een schuddende beweging maken, let dan op het naafgedeelte van het wiel, zodra hier veel beweging in zit kan het mis zijn. Als je het wiel vervolgens uitbouwt kun je controleren of het probleem in de lagers zit of in de holle achteras. De controle op de holle as is eenvoudig te doen: je pakt hierbij het begin en het eind van de as vast en probeer of deze ten opzichte van elkaar kunnen bewegen. Is dat niet het geval is de as nog heel. Lagerspeling kun je constateren door de holle as heen en weer te bewegen zowel radiaal als diagonaal. Maar ook een kromme holle as geeft een probleem, dan heb je namelijk een hoogte slag in het wiel. De oorzaak van holle-as breuk zit vaak in het niet goed vast zetten van de achtersteekas en de ketting-spanners, maar ook het aflopen van de ketting kan de oorzaak zijn. Echter de hoofd oorzaak is een holle achteras die constructief gewoon niet goed is. Mocht het wiel bovenstaande problemen hebben, is het vervangen van of de lagers of de holle as de oplossing.
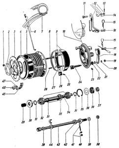
Demontage
Demonteer de ankerplaat van het achterwiel door het verwijderen van de knelring aan de kant van de remtrommel. Wanneer je de ankerplaat uit de trommel hebt genomen, controleer ook dan ook de slijtage aan remvoering en trommel. Over de holle as zit in het hart van de trommel een kroonmoer waarmee je de ankerplaat kunt afstellen. Schroef deze moer uit de trommel. Onder deze ring zit een vetkeerring, deze kun je alleen verwijderen door er een gaatje in te tikken met een drevel. Hierna kun je de keerring verwijderen door deze via het gemaakte gaatje met een dunne schroevendraaier eruit te lichten. Onder deze vetkeerring zit een dun metalen plaatje om het vet in het lager te houden. Door het gaatje in de vetkeerring zal in dit plaatje een deuk zitten, tik deze er weer uit. Vervolgens zie je een borgring zitten, verwijder deze. Daarna kun je de holle as er vanaf de remtrommel uittikken (gebruik een kunststofhamer). Hierbij komt met enige moeite de as, de vetkeerring en het lager aan de kant van het kettingtandwiel naar buiten. Het lager aan de trommelkant blijft zitten, je kunt deze verwijderen door het los nemen van de grote borgring met een zegerringtang hierbij komt ook een dikke vulring vrij. Controleer vervolgens de lagers op slijtage en de holle as op breuken en of hij nog recht is. Vervang de delen die kapot zijn en indien de holle as heel is, controleer dan ook de borgringen op vervorming en vet de lagers bij hermontage in.
Montage
Plaats het lager aan de kant van de trommel, let hierbij op de vulring die binnen in de trommel tegen het lager aan zit en de grote borgring. Bij montage van de originele holle as (niet verstandig), plaats je eerst de twee midden-borgringen en tik vervolgens de holle as in het lager tot de aanslag (gebruik hiervoor een kunststofhamer). Monteer vervolgens de borgring over de holle as. Plaats nu het lager aan de kant van het kettingtandwiel en tik ook deze tot de aanslag en monteer eventueel de borgring en plaats weer een vetkeerring. Vervolgens monteer je aan de trommelkant het dunne metalen plaatje en een nieuwe vetkeerring. Gebruik hiervoor een geleidebus om beschadiging van de keerring door het schroefdraad te voorkomen. Ook de kroonmoer kan nu weer op de as worden geschroefd. Stel deze moer zo af dat de ankerplaat net binnen de trommel valt, zonder dat deze aanloopt in de trommel.
Het is wel wat werk maar rijden doet hij weer perfect.
Benodigde onderdelen
-
- 2 x lager 6002
- 1 x holle as
- 2 x vetkeerring 32x15x5.5
- lagervet


